T/GT500 Page
Links to Parts Listings
Clicking on these links will open a
new page or tab depending on your computer's browser settings.
Link
to the Ozebook Site - GT500 Parts manual (1976 and 1977)
Note that the GT500 parts manual as
supplied by Suzuki has several typos/errors:
- the parts diagram for the clutch is numbered incorrectly from
item 4 onwards - the parts listing for the T500 clutch is correct.
- the part numbers for the GT500 handle grips are incorrect - the
right is listed as 57110-33012 and the left as 57211-15110
- which are
two different styles - it should be 57110-15110 (which is not available
now so substitute 57110-31012) with
- 57211-15110 which are high both the
'high' ribbed style as used on GT750's.
Other Assorted Items of Interest for
T/GT500's
Contents:
Exploded
View of Oil Pump
From the Author's Photo Collection
Robert Bond's Home
Brew CDI for GT500
A and B Models
Robert, with some assistance from Phil C. in the UK came up with this
home brew replacement for the Suzuki PEI unit -
cost in the USA for the
components runs a bit less than $30.
Schematic and parts list
Note: the 'G', 'A' and 'K' are the accepted terms for gate,
anode and cathode connections on the SCR.

Photo supplied by R. Bond
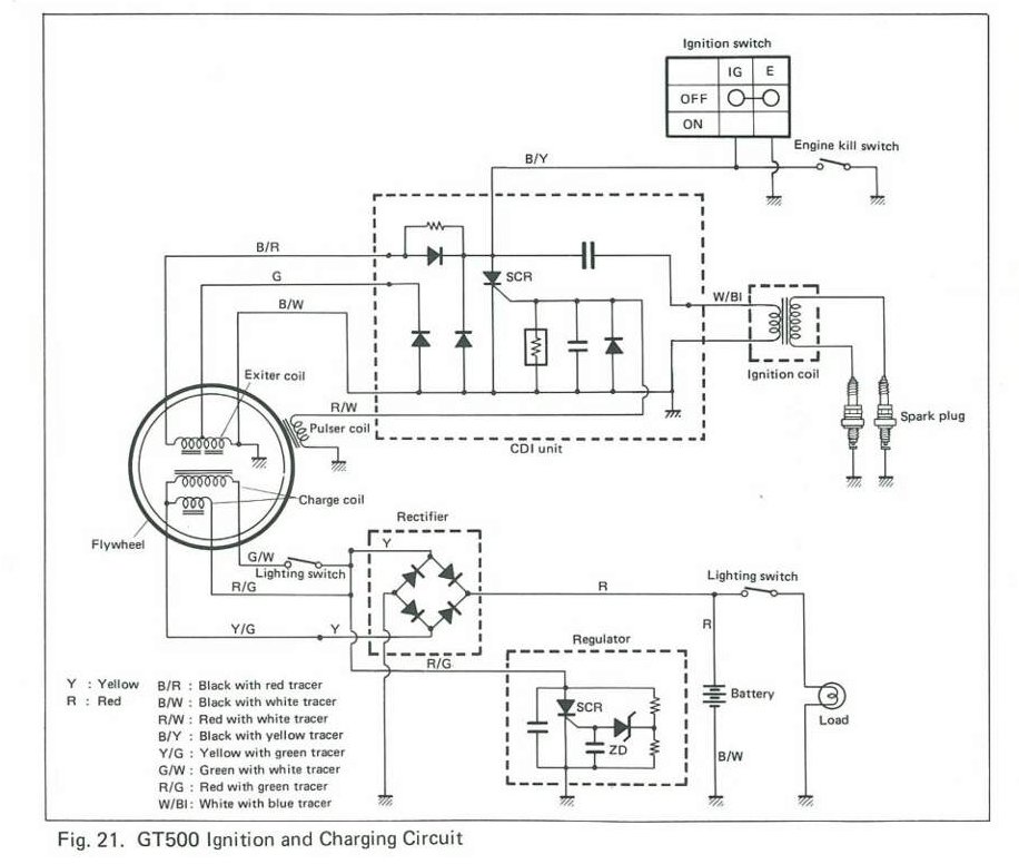
The above circuit replaces the area in the box labelled 'CDI unit' in
the diagram below which is taken from the Suzuki shop manual
Breadboard demo circuit for testing
Photo supplied by R. Bond
Per Norstedt has a good GT500 ignition
trouble shooting guide on
his site
located here which is worth bookmarking.
Tool Kits
The early kits included with the T500 models, up to the
1973
K models (to be confirmed) included a box wrench having a
universal
joint and a
removable handle.which were items 2 and 3 in the left photo below.
These were
definitely no longer
included by the 1975 M series tool kits. The
contact points file (part 09813-00001) appears to have been included up
until
the R series in 1971, and as an option in 1972 - beyond that the
parts manuals I have do not list
them. The points
wrench
(09930-20111) appears to have been included up to the J models (to be
confirmed) and then as an option
beginning with the K in 1973.
Early kit supplied with K
models - included item 2 and 3 for total of 16 pieces.  Kit supplied with the M model
Titan and GT's - 14 pieces. 
|
|
|
Below are photos of the tools from an early tool kit - I have yet to
confirm whether the original screw driver handles were black or red (I
suspect red).
On the right I have included a photo of two of the
universal box wrenches (part number 09816-00018) as they differ. One
has a longer shank, and as
well the shoulder where the shank meets the
universal fitting is smaller. There are no visible manufacturer's marks
on the ones I have - presumably
different suppliers were used, or it
may be that one is an earlier one than the other.

From the author's photo collection

|
Tire Pumps
Contributed by Eric in North Virginia, USA
There were at least two style of tire pump fitted to the early T500's -
the one at the top of the photo has 'Made in Japan' printed length ways
on the pump handle and came from a first year T500, and the one in the
lower part of the photo has 'Made in Japan' printed on the end of the
handle , wrapped around where the nozzle is stored. Both pumps are the
same length of 20 cm, uncompressed with the nozzle protruding
another 1
cm. The pump casings were made of aluminium.

Photo supplied by 'ericsattic'
The pumps were both about 45 cm when fully extended. Below are
close-ups of the printing on the handles of the two types - left is
early, right is later.

Photo supplied by 'ericsattic'

|
A photo of the nozzle removed from the pump end - relative to a bicycle
tire pump, the nozzle is quite long.

Photo supplied by 'ericsattic'
Early T500 Turn Signals
Contributed by Eric in North Virginia, USA
Four types are shown - the very early style having a stem clamp and
flattened rear housing, no stem clamp but with flattened rear housing,
round back and no stem clamp, and then the ones commonly sold as NOS
having long stems and incorrect wire routing.
The photo below is of the front signal from a 1969 T500-II. Notice that
the back of the signal housing is flat, there is no stem clamp, and
that the stem is quite short - about 1 inch long, excluding the threads.

Photo supplied by 'ericsattic'
A similar front signal, but with a rounded end. The stem is about the
same length as the one having the flat end, an no stem clamp.

Photo supplied by 'ericsattic'
In the photos below, on the left is what is commonly sold as NOS and
has a long stem - about 2.25 inches long - and no stem clamp.
Below that is the correct signal for the early T500's having the short stem,
stem clamp and flat end (photos courtesy of Torgeir in Norway).

 |
|
Likewise for the rear signals - the photo on the lower left is of what
is commonly sold as NOS and has the
long 2.25 inch stem with the wire
on the outside, rear of housing is round, and no stem clamp. Below that
is a photo of the correct signal for the early T500's with the
wire threaded inside the stem and the
external stem clamp (photos courtesy of Torgeir in Norway).


|
|
Back,
TopVIN Labels
North American style VIN labels are available for the later model
years from Jerry in the USA
(his email is
jrure@aol.com).
If you supply him with your frame number the label will be pre-printed
which is a nice touch.

From the author's photo collection
Tyler Tech
was supplying labels for both non-North American styles as well as
North American but at the time of writing shutting down his business.
Best to check to see what stock he may still have.
Colour Chart - Mk I, Mk
II, Mk III, R and J
Back,
TopThe 500/5
and T500 Question
Material contributed by Eric from North Virginia
The December 1967 issue of Cycle World, presented the new 500/5
model and listed its specifications. A collection of Cycle
World road tests were gathered together and re-published by Suzuki as
an advertising handout, also with a
December 1967 cover date, that included a letter from Suzuki
detailing the changes made to the design since the original road test
had been done.
Here are scans of the two covers - the Cycle World December 1967
magazine on the left, and the Suzuki advertising brochure on the right.

From the author's photo collection

Photo supplied by 'ericsattic'
|
That letter included in the brochure appears below, and a close-up of it below
that.

Photo supplied by 'ericsattic'

Photo supplied by 'ericsattic'
These then are the specifications for the T500 Mk I. What is unclear
is the length of elapsed time between the original Cycle World article
appearing, and the release of the reprint as both carry the same date of December
1967. If they were published close together, then it raises
the
question of whether 500/5's actually were ever 'officially' sold.
Not mentioned in the letter are what other changes were also made - one
obvious one is that the exhausts were now longer to accommodate
the
change in length of the swing arm. Looking at the parts listings, it is
interesting (at least to anoraks like myself !) to note that the first
part
number listed for the mufflers are 14301-15002 and 14302-15002 for
the right and left on the Mk I which changed to 14301-15003 and
14302-15003 for the right and left at engine number 11520, or part the
way through the Mk I production. Normal Suzuki practice was to
change the last digit of a part number if it was a version change so
presumably there were two previous muffler styles prior to the first
one
(the 15002's) listed for the Mk I. Possibly more documentation
and/or original examples will surface over time.
With help from many other owners, I am recording 'starting' and
'ending' frame numbers - not to create a registry, but to try and nail
down
actual production numbers. The list is available
at this link.
At the moment we have yet to confirm a 500/5, and as well there appears
to be a
gap in production between the Mk I and the Mk II models of
about 4000 units. If you have in your possession a bike with a higher
or lower
frame number than we have recorded so far, ideally with a
photo, I would like to hear from you !
A persistent urban myth, which is regularly repeated in the press
(see t
his
fairly recent write-up
as an example), is that the 500/5 had a
10 fin barrel. None of the
early news photos or photos in the Suzuki shop manuals show this - they
all clearly show 11 fins. A possible
explanation for the origin of the
myth may be the ad that also ran in the December 1967 Cycle World issue
showing the 500/5 - the fin
just even with the top of the exhaust
collar is in shadow, and so not clearly visible unless the photo is
enlarged and so gives the
appearance of being a 10 fin barrel. It is
also possible that some reporter just couldn't count !

Photo from the author's collection